
發布:本站 提交時間:2021-06-14 14:10 瀏覽量:133
產品材質:采用全新線性低密度聚乙烯(Polyethyline簡稱PE)為主要原料。
常規顏色:白、藍、黑、黃,其它顏色可根據客戶要求訂做。
產品性能:滾塑工藝一次成型,桶體無焊縫,具有防腐蝕、耐酸堿、耐沖擊、抗氧化、干凈衛生等優質特點。
產品應用:電子行業、化工行業、紡織印染行業、酒店住宿行業、養殖行業、水處理行業、環境保護行業、食品制作行業、蔬菜加工行業、工具配件生產行業、制衣鞋帽行業、運輸行業等。
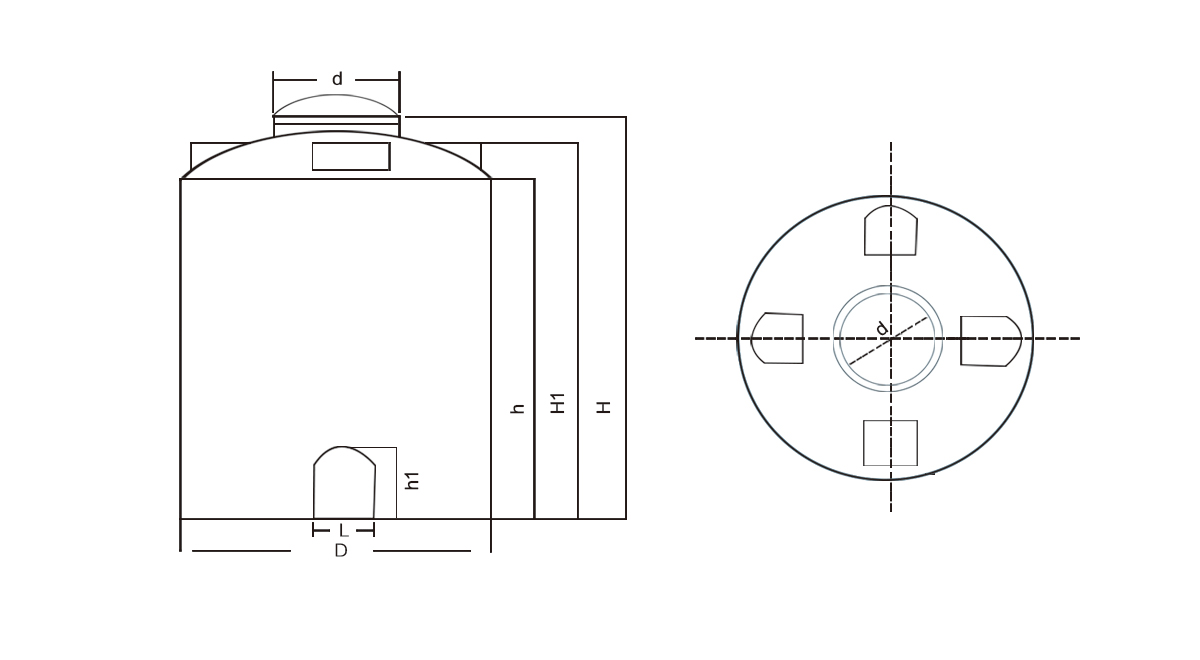
產品配件:PVC化工接頭、PE焊接法蘭、磁翻板液位計、攪拌器等,根據客戶要求安裝在罐體指定的位置。


| 型號Model | D | h | H | H1 | L | h1 | d |
|---|---|---|---|---|---|---|---|
| PT-200L | 580 | 830 | 980 | 920 | 100 | 130 | 260 |
| PT-300L | 680 | 860 | 1100 | 970 | 120 | 140 | 400 |
| PT-500L | 800 | 980 | 1220 | 1060 | 90 | 120 | 400 |
| PT-1000L | 1070 | 1060 | 1365 | 1200 | 160 | 170 | 400 |
| PT-1500L | 1200 | 1270 | 1600 | 1380 | 170 | 190 | 400 |
| PT-2000L | 1320 | 1430 | 1780 | 1600 | 200 | 240 | 400 |
| PT-3000L | 1580 | 1630 | 2000 | 1780 | 190 | 220 | 400 |
| PT-5000L | 1850 | 1720 | 2200 | 2020 | 240 | 280 | 600 |
| PT-6000L | 1850 | 2050 | 2500 | 2380 | 240 | 280 | 600 |
| PT-8000L | 2230 | 2000 | 2500 | 2200 | 260 | 340 | 600 |
| PT-10000L | 2230 | 2470 | 2950 | 2650 | 260 | 340 | 600 |
| PT-15000L | 2800 | 2350 | 2900 | 2720 | 320 | 320 | 600 |
| PT-20000L | 2800 | 3150 | 3650 | 3400 | 320 | 320 | 600 |
| PT-25000L | 3150 | 3150 | 3650 | 3500 | 350 | 360 | 600 |
| PT-30000L | 3150 | 3650 | 4200 | 4000 | 350 | 360 | 600 |
| PT-40000L | 3300 | 4900 | 5500 | 5250 | 420 | 450 | 600 |
| PT-50000L | 3300 | 6050 | 6650 | 6400 | 420 | 450 | 600 |